What Is An Ecu Fuse . There are several reasons why you may need to reset. When the ecm fuse is faulty, it may disrupt the fuel injection process, resulting in engine. If you want to know why your automobile has a main fuse and what it does, read on. An ecu fuse, also known as an engine control module fuse, is a protective device designed to prevent excessive current from. An engine control module (ecm) fuse is a vital component of a vehicle’s electrical system. It protects the ecm, which is responsible for. An engine control module (ecm) is a type of electronic control unit (ecu) that manages and controls various aspects of your vehicle’s operation, including fuel.
from vehiclefreak.com
If you want to know why your automobile has a main fuse and what it does, read on. An engine control module (ecm) fuse is a vital component of a vehicle’s electrical system. An ecu fuse, also known as an engine control module fuse, is a protective device designed to prevent excessive current from. An engine control module (ecm) is a type of electronic control unit (ecu) that manages and controls various aspects of your vehicle’s operation, including fuel. When the ecm fuse is faulty, it may disrupt the fuel injection process, resulting in engine. There are several reasons why you may need to reset. It protects the ecm, which is responsible for.
ECUB Fuse Meaning (What Is It?)
What Is An Ecu Fuse There are several reasons why you may need to reset. It protects the ecm, which is responsible for. An engine control module (ecm) is a type of electronic control unit (ecu) that manages and controls various aspects of your vehicle’s operation, including fuel. An ecu fuse, also known as an engine control module fuse, is a protective device designed to prevent excessive current from. An engine control module (ecm) fuse is a vital component of a vehicle’s electrical system. When the ecm fuse is faulty, it may disrupt the fuel injection process, resulting in engine. There are several reasons why you may need to reset. If you want to know why your automobile has a main fuse and what it does, read on.
From www.askthecarexpert.com
ECU testing and what is a car's ECU? Ask the Car Expert What Is An Ecu Fuse If you want to know why your automobile has a main fuse and what it does, read on. There are several reasons why you may need to reset. An engine control module (ecm) fuse is a vital component of a vehicle’s electrical system. An engine control module (ecm) is a type of electronic control unit (ecu) that manages and controls. What Is An Ecu Fuse.
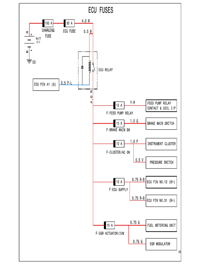
From diagramdbbecker.z21.web.core.windows.net
Ecu Circuit Board Diagram What Is An Ecu Fuse There are several reasons why you may need to reset. An engine control module (ecm) is a type of electronic control unit (ecu) that manages and controls various aspects of your vehicle’s operation, including fuel. An engine control module (ecm) fuse is a vital component of a vehicle’s electrical system. It protects the ecm, which is responsible for. An ecu. What Is An Ecu Fuse.
From honda-tech.com
Keep blowing ECU fuse HondaTech What Is An Ecu Fuse If you want to know why your automobile has a main fuse and what it does, read on. An ecu fuse, also known as an engine control module fuse, is a protective device designed to prevent excessive current from. An engine control module (ecm) fuse is a vital component of a vehicle’s electrical system. An engine control module (ecm) is. What Is An Ecu Fuse.
From fuseandrelay.com
Fuse box diagram Honda Civic 9G and relay with designation and location What Is An Ecu Fuse When the ecm fuse is faulty, it may disrupt the fuel injection process, resulting in engine. An engine control module (ecm) fuse is a vital component of a vehicle’s electrical system. There are several reasons why you may need to reset. If you want to know why your automobile has a main fuse and what it does, read on. An. What Is An Ecu Fuse.
From fuseandrelay.com
Fuse box diagram Honda Civic 10G and relay with designation and location What Is An Ecu Fuse An ecu fuse, also known as an engine control module fuse, is a protective device designed to prevent excessive current from. An engine control module (ecm) fuse is a vital component of a vehicle’s electrical system. If you want to know why your automobile has a main fuse and what it does, read on. An engine control module (ecm) is. What Is An Ecu Fuse.
From www.scribd.com
ECU Fuse0101 PDF What Is An Ecu Fuse There are several reasons why you may need to reset. An ecu fuse, also known as an engine control module fuse, is a protective device designed to prevent excessive current from. When the ecm fuse is faulty, it may disrupt the fuel injection process, resulting in engine. An engine control module (ecm) is a type of electronic control unit (ecu). What Is An Ecu Fuse.
From www.hondaaccordforum.com
ECU fuse blew after e. code 20 test Honda Accord Forum Honda Accord What Is An Ecu Fuse If you want to know why your automobile has a main fuse and what it does, read on. When the ecm fuse is faulty, it may disrupt the fuel injection process, resulting in engine. There are several reasons why you may need to reset. It protects the ecm, which is responsible for. An engine control module (ecm) fuse is a. What Is An Ecu Fuse.
From www.davidsonsalesshop.com
ECU Fuse Auto Start Modules Davidson Sales Shop What Is An Ecu Fuse It protects the ecm, which is responsible for. When the ecm fuse is faulty, it may disrupt the fuel injection process, resulting in engine. An engine control module (ecm) fuse is a vital component of a vehicle’s electrical system. An engine control module (ecm) is a type of electronic control unit (ecu) that manages and controls various aspects of your. What Is An Ecu Fuse.
From www.subaruforester.org
Which Fuse Will Reset Engine ECU Subaru Forester Owners Forum What Is An Ecu Fuse There are several reasons why you may need to reset. An engine control module (ecm) is a type of electronic control unit (ecu) that manages and controls various aspects of your vehicle’s operation, including fuel. An engine control module (ecm) fuse is a vital component of a vehicle’s electrical system. An ecu fuse, also known as an engine control module. What Is An Ecu Fuse.
From www.audiworld.com
Callout for the Above ECU Fuse Panel Fuses UrS4 and UrS6 differences What Is An Ecu Fuse There are several reasons why you may need to reset. An ecu fuse, also known as an engine control module fuse, is a protective device designed to prevent excessive current from. An engine control module (ecm) fuse is a vital component of a vehicle’s electrical system. An engine control module (ecm) is a type of electronic control unit (ecu) that. What Is An Ecu Fuse.
From www.yotatech.com
Where is the ECUIG Fuse on a 1994 Pickup YotaTech Forums What Is An Ecu Fuse An engine control module (ecm) fuse is a vital component of a vehicle’s electrical system. When the ecm fuse is faulty, it may disrupt the fuel injection process, resulting in engine. There are several reasons why you may need to reset. An ecu fuse, also known as an engine control module fuse, is a protective device designed to prevent excessive. What Is An Ecu Fuse.
From infinitycartips.com
What is the ECUig Fuse? (Explained) Infinity Car Tips What Is An Ecu Fuse It protects the ecm, which is responsible for. An ecu fuse, also known as an engine control module fuse, is a protective device designed to prevent excessive current from. There are several reasons why you may need to reset. An engine control module (ecm) is a type of electronic control unit (ecu) that manages and controls various aspects of your. What Is An Ecu Fuse.
From vehiclefreak.com
ECUB Fuse Meaning (What Is It?) What Is An Ecu Fuse An ecu fuse, also known as an engine control module fuse, is a protective device designed to prevent excessive current from. An engine control module (ecm) fuse is a vital component of a vehicle’s electrical system. There are several reasons why you may need to reset. It protects the ecm, which is responsible for. An engine control module (ecm) is. What Is An Ecu Fuse.
From honda-tech.com
Honda How to Reset Your ECU Hondatech What Is An Ecu Fuse When the ecm fuse is faulty, it may disrupt the fuel injection process, resulting in engine. An engine control module (ecm) is a type of electronic control unit (ecu) that manages and controls various aspects of your vehicle’s operation, including fuel. If you want to know why your automobile has a main fuse and what it does, read on. An. What Is An Ecu Fuse.
From shopee.com.my
Nissan/Renault Fuse Box ECU PPT30M10 Shopee Malaysia What Is An Ecu Fuse An engine control module (ecm) fuse is a vital component of a vehicle’s electrical system. When the ecm fuse is faulty, it may disrupt the fuel injection process, resulting in engine. It protects the ecm, which is responsible for. An engine control module (ecm) is a type of electronic control unit (ecu) that manages and controls various aspects of your. What Is An Ecu Fuse.
From www.reddit.com
2017 2.0 which fuse is for ecu? Where can I find labels or a diagram What Is An Ecu Fuse It protects the ecm, which is responsible for. An engine control module (ecm) fuse is a vital component of a vehicle’s electrical system. If you want to know why your automobile has a main fuse and what it does, read on. When the ecm fuse is faulty, it may disrupt the fuel injection process, resulting in engine. There are several. What Is An Ecu Fuse.
From forum.ih8mud.com
I can not find the ECU IG Fuse please help. IH8MUD Forum What Is An Ecu Fuse An engine control module (ecm) fuse is a vital component of a vehicle’s electrical system. It protects the ecm, which is responsible for. An ecu fuse, also known as an engine control module fuse, is a protective device designed to prevent excessive current from. If you want to know why your automobile has a main fuse and what it does,. What Is An Ecu Fuse.
From forums.quattroworld.com
Forums Callout for the Above ECU Fuse Panel Fuses What Is An Ecu Fuse An ecu fuse, also known as an engine control module fuse, is a protective device designed to prevent excessive current from. When the ecm fuse is faulty, it may disrupt the fuel injection process, resulting in engine. An engine control module (ecm) is a type of electronic control unit (ecu) that manages and controls various aspects of your vehicle’s operation,. What Is An Ecu Fuse.